唐先生178模特蓝色卫衣,今日吃瓜-51朝阳群众往期,真实泡过的良家全文阅读

当前位置:首页 >> 产品中心 >> BFV15-对夹/法兰 衬氟气动蝶阀
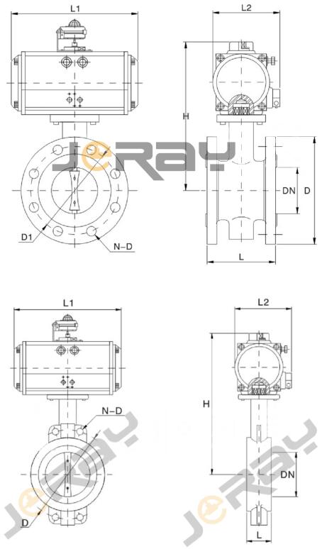
BFV15-对夹/法兰 衬氟气动蝶阀

设计特点

衬氟蝶阀是采用阀杆一起转动的蝶板做启闭件,用以实现阀门的开启、关闭与调节。

衬里蝶阀阀体采用分体式组合。便于装配和密封和调节,阀门工作时只有全衬塑料阀座与衬氟塑料蝶板介质接触。阀体通道内表面光滑,流体阻力小,CV值高,流通能力强,扭矩适中,完全达到介质的零泄漏,该阀门体积小、重时轻、结构紧凑、开关速度、外形美观、工艺合理、性能可靠、操作轻便、使用寿命长。

该阀门可承受除熔融碱金属和元素氟以外的任何腐蚀性介质,是化工、石油、医药、食品、铸铁、冶炼、造纸、水电、环保等系统的气体、液体、半流体的管路和容器上做快速切断和设节设备使用的理想产品


备注:其它特殊密封材质或特殊温度亦可根据客户要求设计选型


备注:根据不同的阀门扭矩,不同的气源压力及不同的实际工况,选择相匹配的执行器其相磁外形尺寸也随之变化









主站蜘蛛池模板: 顺昌县| 无为县| 运城市| 株洲市| 万年县| 永泰县| 广灵县| 渭南市| 乐亭县| 濮阳市| 黔江区| 镇雄县| 宜良县| 沛县| 甘泉县| 云浮市| 无极县| 海兴县| 镇坪县| 来凤县| 延长县| 洛南县| 射洪县| 明星| 龙胜| 土默特左旗| 佛教| 合山市| 新丰县| 固镇县| 托里县| 日土县| 苍山县| 房产| 衡南县| 关岭| 盐城市| 泰州市| 南康市| 秦皇岛市| 深水埗区|