唐先生178模特蓝色卫衣,今日吃瓜-51朝阳群众往期,真实泡过的良家全文阅读

当前位置:首页 >> 产品中心 >> BV6-法兰式衬氟气动球阀
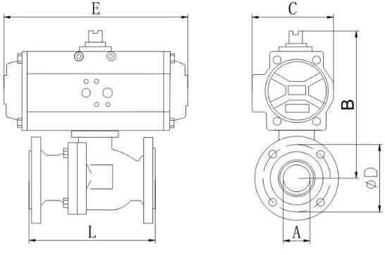
BV6-法兰式衬氟气动球阀

气动衬氟球阀流体阻力小,全通径的球阀基本没有流阻。紧密可靠,它有两个PTFE密封座,能实现完全密封,在真空系统中广泛使用。操作方便,开闭迅速,从全开到全关只要旋转90度。维修方便,球阀结构简单,密封圈是活动的,拆卸更换都比较方便。在全开或全闭时,球体和阀座的密封面与介质隔离,而且密封性能好,完全可以达到零泄露。新型的带杆球体,其独特的弹性唇式密封座结构。使其具有普通球阀的各项优点,能在前后大压差和较大的温差变化范围内具有高密封性能和轻操作扭矩。
可作开关和调节之用。

衬里材料:FEPPFAGXPO
驱动方式:手动、蜗轮、电动、气动、液动。

技术性能规范:

设计标准

HG/T 3704, GB/T 12237

API 6D

结构长度

HG/T 3704, GB/T 12221

ASME 816.10

法兰形式尺寸

HG/T 20592, GB/T 9119

ASME B16.5, JIS B2220

检验与试验

GB/T 13927, JB/T 9092

API 598

公称压力(MPa)

1

1.6

CLASS150

实验压力

壳体试压

1.5

1.5

1.5

( MPa)

高压密封

1.1

1.1

1.1

低压密封

0.6

0.6

0.6

适用温度()

PFA -30200 FEP: -30150 GXPO: -1080

适用介质

盐酸、硝酸、氢氟酸、液氯、硫酸、王水等强腐蚀性介质

外形尺寸(单位:mm

HG/T 20592 PN16(单位:mm)

注:根据不同的阀门扭矩,不同的气源压力及不同的实际工况,选择相匹配的执行器其相磁外形尺寸也随之变化

选型表


主站蜘蛛池模板: 龙游县| 嘉鱼县| 宣汉县| 洛阳市| 清徐县| 鱼台县| 神池县| 怀仁县| 铜鼓县| 五常市| 潞西市| 克拉玛依市| 神池县| 延吉市| 六安市| 土默特左旗| 华坪县| 古浪县| 夏津县| 成安县| 霍林郭勒市| 芜湖市| 巴青县| 高邮市| 九龙城区| 娱乐| 虎林市| 尚志市| 铁岭县| 嘉兴市| 苍南县| 南和县| 武定县| 筠连县| 山丹县| 桐城市| 同仁县| 闽清县| 庐江县| 通江县| 剑河县|