唐先生178模特蓝色卫衣,今日吃瓜-51朝阳群众往期,真实泡过的良家全文阅读

当前位置:首页 >> 产品中心 >> JR300D03Y自力式(压阀上升阀闭)压力控制阀
JR300D03Y自力式(压阀上升阀闭)压力控制阀
概述

JR300D03Y自力式(压阀上升阀闭)压力控制阀,由控制阀门、执行器和一个设定压力的弹簧组成适用于非腐蚀性的液体、气体和蒸汽,在系统管道中的阀前压力控制,当阀前压力升高时,控制阀关闭。

主要特点如下:

1:具有压力平衡功能,灵敏度高

2:低噪音,性能可靠,免于维护

3:采用标准摸块化设行

4:通过组合件,可以进行多项组合控制

工作原理

艺介质通过阀节流后,进入被控制设备,而被控设备的差压,分别引入阀的上、下膜室,在上、下膜室内产生推力,并与弹簧反力相平衡,从而确定了阀芯写阀座的相对位置,而阀芯写阀座的相对位置确定了差压值△P的大小。当被控差压变化时,力的平衡被破坏,从而带动阀芯运动,而阀当需要改变差压设定值时,可调整节螺母。

技术参数和性能

阀体

公称通径

DN15~DN250mm

公称压力

PN1.64.0MPa

法兰标准

ANSIJISDINGBJB(特殊可按用户提供)

阀体材料

铸铁(HT200)、铸钢(ZG230-450)、铸不锈钢(Zg1Cr18Ni9Ti/ZG1Cr18Ni12No2Ti

阀芯材料

硬密封

不锈钢(1Cr18ni9Ti1Cr18Ni12MoTi)

软密封

不锈钢镶嵌橡胶圈

压力平衡

不锈钢波纹管(DN15~DN125)、平衡膜片(DN150~DN250

执行器

有效面积(C

80

250

630

压力设定范围(MPa

0.1~0.5

0.015~0.25

0.005~0.035

0.1~0.25

0.01~0.06

保证压力阀正常工作的最小压阀P

≥0.04

≥0.01

≥0.005

允许上膜室之间最大压差(MPa

1.25

0.4

0.15

材料

膜盖:钢板镀锌,膜片:EPDMFKM夹纤维

控制管线、接头

铜管或钢管Φ10*1mm),卡套式接头:R1/4”

注:该有效面积所有对应的压力设定范围不适用于DN150~250

性能

设定值偏差 ±8%

允许泄漏量(在规定实验条件下)

硬密封

4*0.01%阀额定容量

软密封

DN15~DN50

DN65~DN125

DN150~DN250

10气泡/min

20气泡/min

40气泡/min

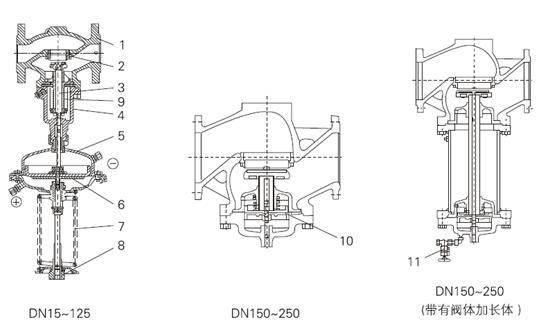
结构简图

1:阀体

2:阀座

3:阀轴

4:阀盖

5:膜盖

6:膜片

7:弹簧

8:调节螺母

9:波纹管

10:平衡膜片

11:充注阀

允许工作温度

公称通径

DN15~125mm

DN 150~250mm

密封型式

硬密封

≤150℃

≤140℃

冷却罐≤200℃

冷却罐和加长≤200℃

冷却罐和散热≤350℃

冷却罐和加长≤350℃

软密封

≤150℃

注:※表示该闪允许工作温度,仅当介抽为蒸汽式有效,且耐温之至350摄氏度需先用PN40阀体

控制阀尺寸及重量见图1-3

DNmm

15

20

25

32

40

50

65

80

100

125

150

200

250

Lmm

130

150

160

180

200

230

290

310

350

400

480

600

730

Bmm

212

212

238

238

240

240

275

275

380

380

326

354

404

重量(KG

6.2

6.7

9.7

13

14

17

29

33

60

70

80

140

220

B1mm

-

-

-

-

-

-

-

-

-

-

630

855

1205

重量(KG

-

-

-

-

-

-

-

-

-

-

140

210

300

执行器尺寸及重量见图4

有效面积(CM2

32

80

250

630

R(mm)

172

172

263

380

H(mm)

435

430

470

520

重量(kg)

7.5

7.5

13

28

主站蜘蛛池模板: 兴安县| 湘潭县| 巩留县| 合山市| 昂仁县| 明光市| 西吉县| 安远县| 梅河口市| 秦安县| 湖南省| 蒲城县| 茶陵县| 潜江市| 卓尼县| 沁阳市| 崇明县| 习水县| 新乡市| 云南省| 达孜县| 湖南省| 大石桥市| 梁山县| 郎溪县| 育儿| 津南区| 平定县| 休宁县| 抚宁县| 革吉县| 绥棱县| 唐山市| 安龙县| 汾西县| 临湘市| 宜川县| 利津县| 长沙县| 巴南区| 彰武县|